logo
Teléfono:
GUANGZHOU GUOMAT AIR SPRING CO. , LTD
GUANGZHOU GUOMAT AIR SPRING CO. , LTD

Correo electrónico: linda@662n.com         Multitud: +8613924100039 (WhatsAPP)

Wechat: airspringG     Skype: guomat

             

 

Inicio ProductosAmortiguación de aire con resorte industrial

W01-M58-6978 amortiguación de aire con resorte industrial GUOMAT 2B6978 en 0,7 diámetros máximos 707m m del Mpa

W01-M58-6978 amortiguación de aire con resorte industrial GUOMAT 2B6978 en 0,7 diámetros máximos 707m m del Mpa

Datos del producto:
Place of Origin: China
Nombre de la marca: GUOMAT
Certificación: ISO/TS16949:2009
Model Number: 2B6978
Pago y Envío Términos:
Cantidad de orden mínima: Negociables
Precio: Negociable
Detalles de empaquetado: caja fuerte del cartón o como necesidad de los clientes
Tiempo de entrega: 2-8 días del trabajo
Condiciones de pago: T/T, Western Union, Paypal u otros
Capacidad de la fuente: 1000pcs/week
Contacto
Descripción detallada del producto
Material: Aleación y caucho de aluminio Pedernal: W01-M58-6978
Garantía: 12 meses Peso neto: 17,5 KILOGRAMOS
Otro nombre: Aislador de la amortiguación de aire con resorte de la industria Capacidad de la presión: PA de 0.2-0.8 M
Peso bruto: 19,5 KILOGRAMOS Anillo del reborde: Con o sin
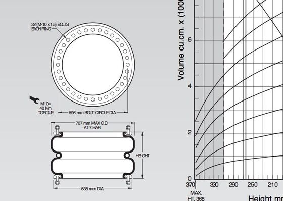
Método de la conexión: Conexión del reborde Tamaño del anillo del reborde: 638 milímetros
DIÁMETRO DEL ANILLO DE PERNO: 596 milímetros
Resaltar:

primaveras del ayudante del aire

,

piezas de la suspensión del aire

Amortiguación de aire con resorte industrial GUOMAT 2B6978 del pedernal W01-M58-6978 en 0,7 Mpa Max Dia 707m m

Especificaciones enrolladas triples industriales de la amortiguación de aire con resorte

Asamblea de la descripción

Descripción
No. de pedido de la asamblea.
Estilo 215
La gota de aluminio proveída de costillas del cuello suena (espaciamiento igual), los pernos de 45 milímetros, nueces, lavadoras
W01-M58-6978; W01 M58 6978; W01M586978;

Bramidos de dos capas
Bramidos de goma solamente
W01-358-7912; W01 358 7912; W013587912

Fabricante Part Number Breve descripción W01-M58-6978, W01M586978, WO1-M58-6978, WO1M586978 Tipo del anillo de la gota 4
Barra máxima 7 del diámetro @ (milímetros) 707 Dim# C (diámetro milímetros del anillo de perno) 597
Altura máxima (milímetros) 84 # de los pernos (cada anillo) 32
Movimiento máximo (milímetros) 284 Altura del diseño (milímetros) 381
Altura usable mínima (milímetros) 368 Barra 3 (kN) 78,5
25 milímetros (kN) 174,6 Barra 5 (kN) 132,9
el 50% de Max Stroke (kN) 150 Barra 7 (kN) 187,9
Movimiento máximo (kN) 106,5 Frecuencia natural (barra @5) (fn (herzios) 1,2
¿Technigram aplicable? 113 7 herzios 97
Material cordón de dos espesores, de alta resistencia 13 herzios 99,3
25 herzios 99,8

¿Por qué utilice los actuadores de Airstroke en vez del aire o de los cilindros hidráulicos?
bajo costo
Generalmente, el coste inicial es medio o menos de un cilindro neumático o hidráulico convencional con la misma capacidad de fuerza. En tamaños más grandes, esta ventaja costada inicial es muchas veces mayor.
Amplia gama
los actuadores del Libre-movimiento se extienden en diámetro a partir de 85 milímetros a 940 milímetros. Soporte el kN hasta 450 de la capacidad. Movimientos hasta 355 milímetros.
Artículo
El actuador vacío del movimiento es otro uso de las primaveras probadas de Airide del pedernal en suspensiones del camión y del autobús. La larga vida y la durabilidad requeridas para utilizar millones de kilómetros de la suspensión pesada bajo condiciones ambientales duras son también factores importantes en diseño de máquina.

Tipo de conexión del reborde de tabla modelo de la comparación de la amortiguación de aire con resorte
GUOMAT NO. Contitech NO. GUOMAT NO. Contitech NO.
FS22-3DICR FS 22-3 DI CR FS960-12RS FS 960-12 RS
FS44-5DICR FS 44-5 DI CR FS1330-11RS FS 1330-11 RS
FS76-7DICR FS 76-7 DI CR FS1710-12RS FS 1710-12 RS
FS76-7DSCR CR DEL FS 76-7 DS FS2870-16RS FS 2870-16 RS
FS138-8DS FS 138-8 DS FS5450-16RS FS 5450-16 RS
FS210-10DS FS 210-10 DS FD960-22RS FD 960-22 RS
FS412-10DS FS 412-10 DS FD1120-30RI FD 1120-30 RI
FS614-13DS FS 614-13 DS FD1330-25RS FD 1330-25 RS
FS816-15DS FS 816-15 DS FD1710-25RS FD 1710-25 RS
FD22-4DICR FD 22-4 DI CR FD1730-40RI FD 1730-40 RI
FD44-10DICR FD 44-10 DI CR FD2380-24RS FD 2380-24 RS
FD76-14DICR FD 76-14 DI CR FD2470-40RI FD 2470-40 RI
FD76-14DSCR CR DEL FD 76-14 DS FD2870-30RS FD 2870-30 RS
FD138-18DS FD 138-18 DS FD5450-28RS FD 5450-28 RS
FD209-21DS FD 209-21 DS FT960-34RS PIE 960-34 RS
FD210-22DS FD 210-22 DS FT1330-35RS PIE 1330-35 RS
FD412-18DS FD 412-18 DS FT1710-38RS PIE 1710-38 RS
FD614-26DS FD 614-26 DS FT2870-45RS PIE 2870-45 RS
FD816-30DS FD 816-30 DS FT5450-44RS PIE 5450-44 RS
FT22-6DICR PIE 22-6 DI CR    
FT44-15DICR PIE 44-15 DI CR    
FT76-20DICR PIE 76-20 DI CR    
FT76-20DSCR PIE DE CR DE 76-20 DS    
FT138-26DS PIE 138-26 DS    
FT210-32DS PIE 210-32 DS    
FT412-32DS PIE 412-32 DS    
FT614-36DS PIE 614-36 DS    
FT816-40DS PIE 816-40 DS

W01-M58-6978 amortiguación de aire con resorte industrial GUOMAT 2B6978 en 0,7 diámetros máximos 707m m del Mpa 0W01-M58-6978 amortiguación de aire con resorte industrial GUOMAT 2B6978 en 0,7 diámetros máximos 707m m del Mpa 1W01-M58-6978 amortiguación de aire con resorte industrial GUOMAT 2B6978 en 0,7 diámetros máximos 707m m del Mpa 2

Contacto
GUANGZHOU GUOMAT AIR SPRING CO. , LTD

Persona de Contacto: Linda Lin

Teléfono: +8613924100039

Envíe su pregunta directamente a nosotros
GUANGZHOU GUOMAT AIR SPRING CO. , LTD
No. 1, camino de Keyuan, distrito de Baiyun, Guangzhou, Guangdong, 510540, China
Teléfono:86-20-22925001
Sitio movil Política de privacidad | Porcelana Bueno Calidad Amortiguación de aire con resorte de la suspensión Proveedor. © 2017 - 2025 GUANGZHOU GUOMAT AIR SPRING CO. , LTD. All Rights Reserved.